Сеялки для разбрасывания газонной травы: виды, изготовление

Обустроить у себя на приусадебном участке маленькую лужайку для детских игр или партерный газон мечтают многие. Для этого газонную траву можно раскидать вручную, но в результате вместо ожидаемого ровного коврика чаще всего получаются отдельно взошедшие, несимпатичные пучки травы.

Чтобы подобных неожиданностей не было, используются специальные сеялки для газона, которые на рынке представлены в большом ассортименте.

Для чего нужны газонные сеялки

Функциональные свойства сеялок для газонной травы

Разбрасывать семена травы и в то же время удобрять почву гранулами вручную не очень удобно. После такого посева можно наблюдать, как неравномерно всходит трава, где-то слишком густо, а где-то её совсем нет. Местами можно увидеть выгоревшие участки, что означает передозировку удобрения.

На сегодняшний день рынки предлагают огромное количество разнообразных сеялок, при помощи которых можно легко и равномерно посеять газонную траву, а также разбросать удобрения. В таком агрегате регулируется норма высева семян, песка, удобрений и других гранулированных материалов.

То есть использовать его можно не только для посева газона, но и для разбрасывания песка и удобрений или распределения препаратов для защиты растений от вредителей.

Разные модели сеялок-разбрасывателей оборудованы разным объёмом бункера загрузки и имеют различную ширину захвата. По способу разброса они бывают рядными, то есть семена разбрасываются рядами, и круговыми, в которых имеется крутящийся элемент, разбрасывающий семена по кругу.

Виды сеялок для газона

Описание разновидностей сеялок разбрасывателей для газонной травы

Газонные сеялки-разбрасыватели подразделяются на ручные, механические и профессиональные агрегаты.

Ручная газонная сеялка. Ручные устройства для распределения травы и удобрений состоят из бункера с рукояткой и предназначены для засева газоном небольшой территории. Чаще всего ручные помощницы выполняются из пластмассы и имеют встроенный распределитель.

С помощью такой сеялки количество высыпаемого удобрения контролируется за счёт изменения величины отверстия в бункере. Для равномерного распределения семян и удобрений по участку достаточно просто вращать ручку.

Профессиональная сеялка. Профессиональные агрегаты используются для засева больших площадей, например, стадионов. В их бункер загружается до 100 кг семян газонной травы. Ширина захвата достигает 2,5 метра. Глубину посева на такой сеялке можно регулировать вручную.

Многие механические профессиональные сеялки оснащаются бензиновым двигателем и передвигаются на четырёх колёсах. На ручке, за которую держится оператор, находятся рычаги управления. Такие сеялки легко настраиваются на различные типы семян. Если к ним докупить дополнительное оборудование, то они могут легко выполнять роль скарификатора.

Ручная механическая сеялка

Этот вид устройств подойдёт для владельцев небольших и средних участков земли. С помощью механических устройств можно быстро и безопасно распределить:

Свежие записи

Бензопила или электропила — что выбрать для сада?
4 ошибки при выращивании томатов в горшках, которые совершают почти все хозяйки
Секреты выращивания рассады от японцев, которые очень трепетно относятся к земле

  • Характеристика ручной механической сеялки для газонной травысемена;
  • удобрения;
  • песок;
  • соли;
  • корма для птиц и животных;
  • каменную крошку;
  • известь и многое другое.

Механические агрегаты просты в использовании. Достаточно в бункер засыпать семена или удобрения, затем начать толкать сеялку вперёд и разбрасывать траву, нажимая для этого на клавишу.

Однако устройством для прикрытия семян землёй механические сеялки не оборудованы, поэтому после засева газона рекомендуется воспользоваться садовым катком.

Наиболее популярные модели сеялок

Перечень и описание популярных моделей сеялок разбрасывателей

В магазинах товаров для садоводов имеется большой ассортимент сеялок-разбрасывателей от различных производителей. Наиболее популярными моделями являются:

Агрегат WE — B германского производителя Wolf-Garden. Он оборудован переносной ёмкостью с дозатором, разбрасывающим дисковым механизмом и батарейками или аккумулятором. На ручке модели удобно расположены клавиши управления. Одной загрузки семян в ёмкость будет достаточно, чтобы засеять газонной травой до 750 м². Разбрасывать семена можно на расстояние от 0,5 до 2,5 м.

Модель Comfort 800 немецкой компании GARDENA — это сеялка пунктирного типа. Агрегат представляет собой двухколёсную тележку с бункером на оси колёс и ручкой. Равномерное рассеивание семян и удобрений обеспечивается за счёт оснащённого скребком встроенного в бункер цилиндра.

Ёмкость бункера составляет от 3 до 20 литров, при этом засеять травой можно площадь от 90−800 м2. Подаётся материал за счёт управления рычагом на рукояти, а частота высева регулируется точным дозатором. Для предотвращения наложения слоёв и передозировки агрегаты оборудованы устройством для маркировки траектории посева.

Компания Texas (Дания) выпускает модель сеялки CS 2500, которая представляет собой двухколёсную тележку с ручкой. На оси её колёс установлен бункер, оснащённый механическим разбрасывающим механизмом центробежного типа и дозатором. Рычаг управления устройством находится на его рукояти.

Работа механизма осуществляется за счёт движения агрегата вперёд. В бункер можно загрузить до 22 кг семян для газона, и засеять при этом участок площадью в 750 м². Максимальная ширина разбрасывания семян этой модели составляет 2 метра. Весит агрегат — 10 кг.

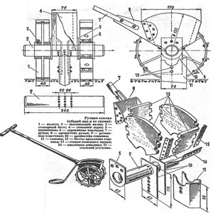
Сеялка-разбрасыватель своими руками

Практически в каждом доме на веранде или в подвале валяются ненужные вещи, с помощью которых можно самостоятельно изготовить ручную механическую сеялку. Чтобы устройство было удобным необходимо подготовить следующие материалы:

  • Описание процесса сборки своими руками сеялки разбрасывателя для газонной травыПриводное колесо.
  • Сошник с досками.
  • Колёса (можно от детской машинки).
  • Металлическую полоску.
  • Велосипедные звёздочки — 2 шт.
  • Старую канистру.
  • Болгарку.
  • Сварочный аппарат.
  • Гаечные ключи.

С помощью таких материалов и инструментов получится простое, но очень эффективное устройство для разбрасывания газонной травы.

Этапы изготовления

  1. Чтобы механизм работал, понадобится изготовить приводное колесо. Для этого его можно скрутить с какого-нибудь старого привода.
  2. Подготовленное колесо с помощью сварки приваривается к ступице одного из дисков сошника. Чтобы в процессе эксплуатации агрегат не развалился, сварные швы следует делать качественными.
  3. На этом этапе понадобится цепь от велосипеда со звёздочками. Это будет основным механизмом конструкции.
  4. Далее, из тонких труб с помощью сварочного аппарата изготавливается стальное основание, к которому крепится канистра и ручка (металлическая полоска).
  5. Из двух небольших колёсиков самостоятельно делается уплотнительный каток, который прикрепляется сзади получившейся конструкции.

Размеры основания и длина ручки, сделанной своими руками сеялки, зависят от веса и роста человека, который будет её эксплуатировать. В конструкцию можно внести изменения, а детали заменить другими, схожими по строению и функциям.

Какой бы вариант сеялки для газона ни был выбран, в результате с помощью такого агрегата можно получить красивую лужайку, качественно удобренный дёрн и много свободного времени. Ухаживать за газоном отныне будет приятнее, быстрее и проще.

Ссылка на основную публикацию